欢迎来到江苏诺天自动化仪表有限公司

服务热线:158-6172-9985

产品展示/ Product display

您的位置:首页 >> 横河涡街流量计
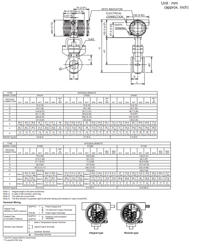
横河DY涡街流量计

横河DY系列涡街流量计,横河DY系列涡街流量计系列digitalYEWFLO涡街流量计横河电机**的SSP数字信号处理技术分析涡街信号,并且根据分析结果为实现zui佳测量自动选择zui佳设定。digi···

联系电话:158-6172-9985

详细介绍
横河DY系列涡街流量计,横河DY系列涡街流量计系列
digitalYEWFLO涡街流量计
横河电机**的SSP数字信号处理技术分析涡街信号,并且根据分析结果为实现zui佳测量自动选择zui佳设定。
 
digitalYEWFLO涡街流量计是经过现场检验的传感器和本体组件(已安装在全世界400,000个YEWFLO单元中)与包含SSP(频谱信号处理)技术的独特数字电子元件有机结合的产物。digitalYEWFLO即使在恶劣的工况条件下也可提供高精度和高稳定性。结合其高可靠性和鲁棒设计,它可以提高设备的效率从而降低运行成本。
 
横河DY系列涡街流量计,横河DY系列涡街流量计系列特性:
SSP(频谱信号处理)技术的新功能 
SSP分析digitalYEWFLO涡街流量计内的流体情况,根据分析数据自动选择与该工况对应的zui佳调节,从而提供以往的涡街流量计所无法实现的性能。
SSP可精确感知低流量范围内的旋涡,从而显著地提高了流量输出的稳定性。
**的自诊断功能
可预测并显示应用工况的变化,如较大的管道振动、流态异常等。
高精度
读数的±0.75%(液体)
读数的±1.0%(气体、蒸汽)
流体温度范围
高温型zui高达450℃
低温型zui低-196℃
参数设定简便
使用频繁的参数组合在一起,从而减少了参数设定时间。
显示清晰简明
可在过程诊断的同时显示瞬时流量及累计流量。
模拟/脉冲双重输出
同时输出流量和脉冲。
报警输出
报警发生时报警信号输出。
BRAIN/HART通信和人机界面按键开关
符合NACE标准
符合NAMUR 43标准
远程电缆长度zui长30m
横河DY系列涡街流量计
  • 上一篇:没有了!
  • 下一篇:没有了!

C

CODE
扫码加微信
  • 联系电话:158-6172-9985

  • 联系邮箱:

  • 公司地址:江苏省淮安市金湖县前锋工业集中区2-1号

Copyright © 2025 江苏诺天自动化仪表有限公司版权所有   备案号:苏ICP备2025193722号-1   

TEL:158-6172-9985

扫码加微信